NAND Gate using transistors
Published: 15 January 2026
The NAND Gate is a basic digital
logic gate that implements the logical NOT AND function. It has two inputs and one output.
The output is low only when both inputs are high. The full truth table showing all input and output states can be found below. Each row represents a physical state of the circuit.
Truth table
| Input A | Input B | Output |
|---|---|---|
| 0 | 0 | 1 |
| 0 | 1 | 1 |
| 1 | 0 | 1 |
| 1 | 1 | 0 |
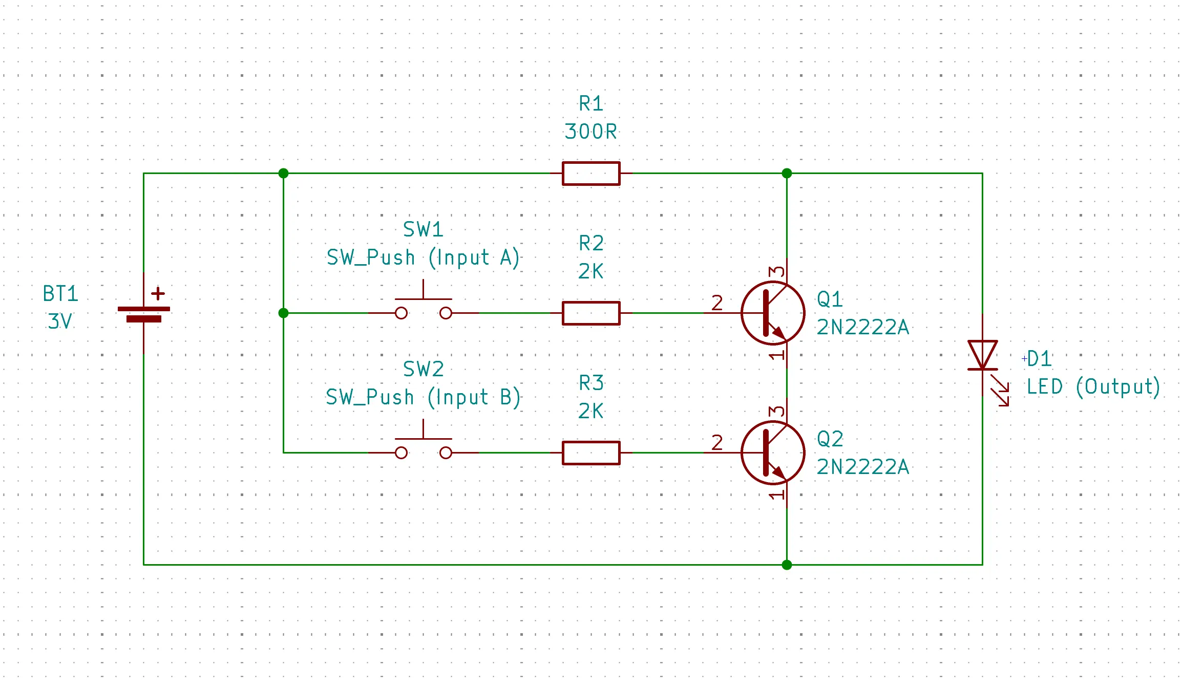
Circuit scheme
The inputs and output in the schematic correspond to the truth table headers.
Implementation
For the implementation, NPN 2N2222A transistors were used.
|
|
The video demonstrates the circuit behavior for all input states.



